Регулятор расхода МПГ 55
Регулятор расхода МПГ 55 — механическое устройство, предназначенное для поддержания, контроля установленной скорости движения элементов гидросистемы. Механизм контролирует заданные параметры вне зависимости от уровня нагрузки, ограничения давления в стационарных агрегатах, гидравлических системах промышленных станков, эксплуатирующихся в закрытых помещениях (оптимальная температура внешней среды — +1/+40°C). В Перми трехлинейные регуляторы расхода МПГ55-1М предлагает купить компания «Гидропроект».
Предназначение конструкции, оснащенной распределителем, обратным клапаном — контроль потока вещества, пропуск рабочего вещества в обратную сторону. Оснащено дополнительным золотником (процесс управления происходит от кулачка). Система способствует механическому включению, отключению регулятора.
Особенности моделей
Модели оснащены клапанами предохранительного типа. Работа элементов способствует ограничению нагрузки в магистрали (отметка давления может составлять 6,3, 10, 20 Мпа). Устройства МПГ55-2М не оснащаются обратными клапанами.
Изделия типа МПГ55-3М оборудованы системой обратного клапана и могут пропускать рабочее вещество в противоположном направлении.
Механизм работает на маслах минерального происхождения с фильтрацией 25 мкм и уровнем вязкости 10-200 сСт. Температура жидкости может составлять +10–70°C.
Давление для нормальной работы устройства — 20, 32 Мпа.
Классифицируются в соответствии с уровнем расхода рабочего вещества:
- модели с проходом 10 мм;
- изделия с проходом 16 мм;
- агрегаты с проходом 20 мм.
Торговый дом «Гидропроект» — это команда опытных специалистов, безупречная логистика, эффективное сотрудничество с ведущими отечественными, мировыми производителями.
Продукция проходит соответствующие испытания, контроль качества. Товар поставляется с сертификатами и сопутствующей документацией. Специалисты компании предоставят полный перечень технической информации и помогут определиться с выбором оптимального устройства. Удобная система доставки и конкурентоспособные цены на трехлинейные регуляторы расхода МПГ 55 — залог успешного приобретения.
Расшифровка обозначения
![]()
Технические параметры
|
Наименование |
Ду, мм |
Q,л/мин |
P, Мпа |
Вес, кг |
|
МПГ 55-12М |
10 |
20 |
6,3;10;20 |
4,5 |
|
МПГ 55-22М |
10 |
25 |
20 |
4,6 |
|
ПГ 55-22 |
10 |
20 |
20 |
4,5 |
|
МПГ 55-32М |
10 |
25 |
20 |
4,6 |
|
ПГ 55-62 |
10 |
20 |
20 |
6,75 |
|
Г55-13А |
16 |
40 |
10 |
11 |
|
Г55-23А |
16 |
40 |
10 |
10,8 |
|
ПГ77-14 |
20 |
80 |
20 |
6 |
|
МПГ 55-14М |
20 |
80 |
6,3;10;20 |
7,5 |
|
МПГ 55-24М |
20 |
100 |
20 |
8,5 |
|
ПГ 55-24 |
20 |
80 |
20 |
7,5 |
|
МПГ 55-34М |
20 |
100 |
20 |
8,6 |
|
Г55-14А |
20 |
80 |
10 |
11,2 |
|
Г55-24А |
20 |
80 |
10 |
10,6 |
|
МПГ 55-15М |
32 |
160 |
6,3;10;20 |
15,5 |
|
МПГ 55-25М |
32 |
200 |
20 |
15,5 |
|
МПГ 55-35М |
32 |
200 |
20 |
16 |
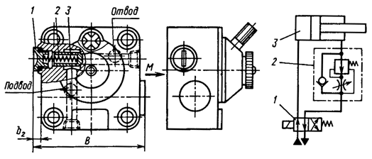
Чертеж и гидросхема регулятора расхода МПГ
Уточнить актуальные цены на регулятор расхода мпг 55 и получить консультацию по интересующим вопросам можно по телефонам, указанным в разделе Контакты, или электронной почте office@hydroprojekt.ru.
Чтобы купить регулятор расхода мпг 55 в Перми, заполните форму:
по безналичному расчету.
Возможна отсрочка платежа.
